Temporary Chain Link Panels, Stands and Clamps
Our temporary chain link panels come in 2 sizes and 2 styles.
Panels
6’ x 12’ – 250 panels per 40 HC
Made with 1 Brace/ Pipe: Vertical
Made with 2 Braces/Pipes: Vertical and Horizontal
6’ x 10’ – 330 panels per 40 HC
Specs:
Pipe: 1-3/8” OD, .063 wall tubing
Wire: 2.8mm (11.5 Gauge)
Spacing: 2-1/4” x 2-1/4”
Braces: 1” OD pipe with 063 wall thickness
Surface: Pre-Galvanized
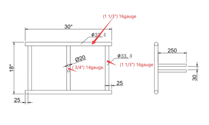
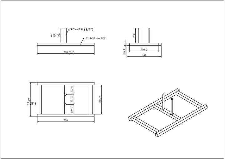
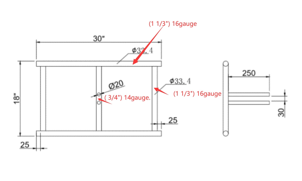
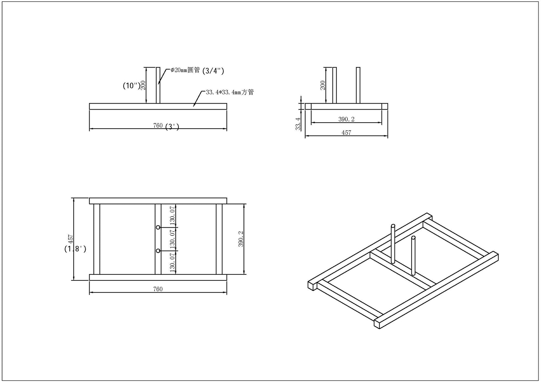
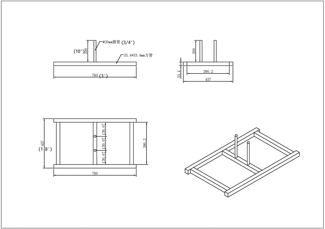
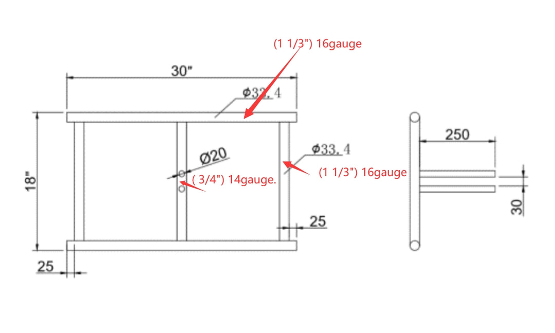
Stands
30” x 18”
33.4mm (1-1/3”) 16 Gauge Sides, 20mm (3/4”), 14 Gauge Middle Brace
6231 PGA Boulevard, Suite 104-232Palm Beach Gardens, FL 33418